Electrical Design & Estimation
We help switchgear manufacturers with design and estimation.
We provide design and estimation support to switchgear manufactures around the world. Our engineering office in Pakistan combines years of shop-floor experience with certified design expertise ensuring every design we deliver is fast, cost-effective and ready for production.
Who We Are
We provide design and estimation support to switchgear manufactures around the world. Our engineering office in Pakistan combines years of shop-floor experience with certified design expertise ensuring every design we deliver is fast, cost-effective and ready for production.
Core Services
Estimation
Accurate preparation of Bills of Material (BOM), component selection, and busbar/enclosure sizing for competitive project proposals.
Panel Design
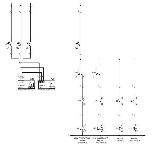
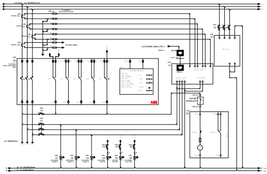
Workshop-ready drawings including single-line diagrams, general arrangements, wiring diagrams, and as-built updates — compliant with IEC, UL, or NEC standards.
Engineering Support
Supplementary design documentation, drawing verification, and vendor coordination to maintain project schedules.
Our Process
Step 1
Share Requirements
Receive client drawings, specifications, or references.
Scope & Proposal
Confirm deliverables, formats, and timeline.
Step 2
Design & Drafting
Execute work in AutoCAD® / EPLAN according to IEC/UL/NEC standards.
Step 3
Review & Refine
Internal quality check followed by client feedback
Step 4
Final Delivery
approved, production-ready documentation in DWG, PDF, or native EPLAN formats.
Step 5
Why Manufacturers Choose PanelSketch
Certified Engineers
All work is carried out by AutoCAD® and EPLAN-certified professionals.
Standards Compliance
Designs prepared in accordance with IEC, UL, or NEC requirements.
Practical Experience
More than a decade in electrical panel design and manufacturing.
Reliable Turnaround
Typical small-task completion within 24–48 hours
What Clients Say
“This level of dedication doesn’t go unnoticed. We really appreciate the effort. Great to work with you guys!”

